
矿井废水具有高盐度、高硫酸盐、高硬度、重金属污染严重且水质复杂多变等特点,是典型的难处理工业废水。
一、项目背景

山东某矿业集团面临矿井废水中硫酸盐和TDS指标偏高的难题,经过我们的工艺处理后,出水主要污染物浓度大幅降低,各项关键指标均满足当地环保要求,实现稳定达标排放。
二、进水水质

三、工艺流程
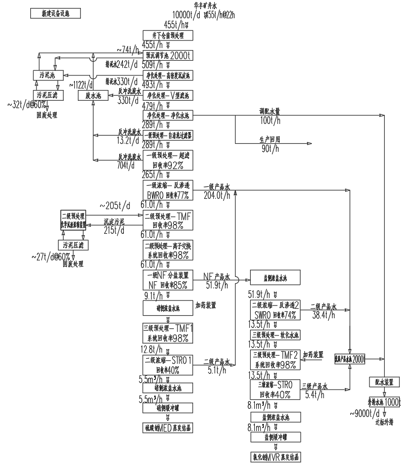
预沉调节池→高密度沉淀池→V型滤池→净化水池→一级预处理-自清洗过滤器→一级预处理-超滤→一级浓缩-反渗透→二级预处理-TMF→二级预处理-离子交换→一级纳滤分盐→硝侧浓盐水→三级预处理-TMF→二级浓缩-反渗透→硫酸钠MED分盐装置;盐侧浓盐水→二级浓缩-反渗透→三级预处理-TMF→三级浓缩-反渗透→氯化钠钠MVR蒸发盐装置

四、工艺流程说明
矿井水经井下提升泵输送至地面流入预沉调节池中,水中含有大量煤渣等大颗粒物质,其在重力沉淀作用下形成煤泥排出,煤泥经污泥泵输送至污泥处理单元进行处理,使矿井水中的大颗粒悬浮物颗粒明显减少。
预沉调节池出水提升至高密池,在高密池内发生混凝沉淀反应同时生成难溶性沉淀,从而降低水中的的悬浮和硬度,高密池出水溢流至V型滤池,通过过滤去除掉矿井水中较小的悬浮物后流入净化水池。
净化水池的水一部分回用供厂区生产使用,一部分进入超滤系统中,进一步降低浊度,出水进水流入超滤产水池。
超滤产水通过增压泵进入一级膜浓缩装置进行脱盐,产水进入产品水池,一级浓水进入二级预处理-软化池进行软化,软化后的水通过增压泵输送至二级预处理-TMF装置过滤,出水再经过二级预处理-离子交换装置进一步降低硬度。
软化后的浓水经过一级NF装置进行分盐,一级NF装置产生的硝侧浓盐水进入三级处理软化池反应,再进三级预处理-TMF装置过滤,出水经增压泵进入二级高压反渗透装置进行脱盐处理,二级高压反渗透产水进入产品水池,浓水进入硝侧浓盐水池暂存,暂存的硝侧浓盐水在MED装置下进行分盐,形成硫酸钠晶体,同时产生一部分杂盐。
NF装置产生的盐侧水流入中间水池,盐侧水进入二级膜浓缩装置再进行浓缩处理,产水流入产品水池,二级浓水进行三级预处理软化池,进入三级预处理-TMF装置过滤,然后进入三级高压反渗透装置进行浓缩,产水进入产品水池,三级浓水进入盐侧浓水池暂存,暂存的盐侧浓盐水进入MVR装置下进行蒸发结晶,形成氯化钠晶体。
净化水池一部分水与产品水池出水进行混合,水质达标后排放。
五、工艺优势
针对性强,高效去除:根据本矿井废水的高硫酸盐和高TDS的特点设计针对性工艺,去除效率高,能稳定达标排放。
水资源回用:产水可达工业冷却、洗涤、地面冲洗等回用标准,极大节约了新水取用量。
盐分资源化:通过蒸发结晶等技术,将硫酸钠、氯化钠等结晶,实现“变废为宝”。
自动化程度高,运维简便: 采用自动化控制,减少了对大量现场操作人员的依赖,降低了人工成本和人为失误风险,使运行管理更精细、更经济。